選擇您的位置和語言
我們為您推薦了地區和語言。如果正確,您可以確認。
Language selection
产品
行业
零件与配件
服务与支持
新闻
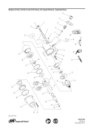
231HA 系列冲击扳手
231HA 系列冲击扳手适合任何工作,包括公用设施维护和工业作业以及车辆维修与轮胎作业等。这款冲击扳手采用强力叶片马达,坚固耐用,值得您信赖。
耐用性好
这款冲击扳手非常坚固,能够抵御恶劣环境、反复掉落和任何化学腐蚀。
可靠性高
231HA 系列冲击扳手动力性与可靠性持久。无论多长时间,这款工具都和新机器一样好用。
保修
231HA 系列标准保修一年,涵盖您遇到的任何制造缺陷。